Modulkasten

Modulkasten



Der Modulkasten

Die Norm

Zur Begriffdefinition: Ein Modul ist das Modell, dass sich zwischen den genormten Kopfstücken befindet. Das Modul kann aus einem Stück bestehen oder aus zerlegbaren Teilen, die Segmente heißen. Ein Modul kann wenige Zentimeter lang sein oder ein mehrere Meter langer und ein Vielfaches der genormten Breite von 40cm umfassender Bahnhof sein. Wie die Kopfstücke der einzelnen Segmente ausgeführt werden, ist dem Erbauer überlassen.

Wichtig ist, dass die Schnittstelle zum Anschluss eines anderen Moduls der Normung entspricht.Es gibt viele unterschiedliche Normen nach denen Module gebaut werden. Selbst kleinere Vereine haben zum Teil eigene Modulnormen aufgestellt, um die Homogenität der Anlagen bei verschiedenen Erbauern zu gewährleisten. Aber auch ein Ausstellungsbetrieb und damit verbundene schnelle Auf- und Abbauzeit, können eine Normung sinnvoll erscheinen lassen.

Nachdem ich zur FREMO-Gruppe des N-Bahn-Stammtisch Braunschweig gestoßen war, stellte sich die Frage nicht mehr nach welcher Norm ich bauen werde. Schließlich wollte meine Modelle bzw. Module auch zu Modultreffen mitnehmen. Die Verfügbarkeit war schon eher das Problem, da die Norm sozusagen in "Urfassung" vorlag und ewig nicht aktualisiert worden war. Das Wesentliche ist zwar über die Jahre gleich geblieben, jedoch hatten sich inzwischen Standards durchgesetzt (z. B.: Modulaußenfarbe, Grundfarbton der Begrünung), die in die Norm bisher nicht aufgenommen waren. Inzwischen gibt es eine aktualisierte Fassung unter AGVuM oder als Kurzfassung unter n-bahn-bs.

Fremo-Kopfprofil für Spur N

FREMO-Kopfprofil in Spur N, eingleisig





Fremo-Kopfprofil für Spur N

FREMO-Kopfprofil in Spur N, zweigleisig



Die Größe


Bei der Konzeptionierung des Bauprojektes sollte man sich im Vorfeld einige Gedanken machen, wie der Modulkasten aussehen soll und wie, falls notwendig, die Segmente aufgeteilt werden. Hierbei müssen einige Aspekte beachtet werden:

Transportraum

Die Abmaße richten sich nach dem Transpormittel. Ein durchschnittlicher Kofferraum hat eine Breite, gemessen zwichen den Radkästen, von 90cm - 100cm (Polo VI 98cm, Golf VII 100cm, Passat VIII 101cm). Nicht jedes Fahrzeug ist so üppig und bequem in der Ladekapazität ausgestattet, wie Caddy (115cm) und Multivan (125cm) mit großen Heckklappen und ebenen Ladeboden. Aber wo bei Heckklappenfahrzeugen das Laden einfach ist und hier die engste Kofferraumbreite wichtig ist, haben Fahrzeuge mit konventionellem Kofferraumdeckel noch einen besonderen Fallstrück zu beachten. Hier kann es sein, dass auch die Höhe des zu ladenen Körpers das beschränkende Maß ist. Am besten, man schneidet sich aus Pappe eine Platte mit den Abmaßen im Transportzustand und versucht die durch die Kofferraumöffnung zu fädeln.

Transportzustand

Bahnhof Kleinbrüchter im Transportzustand im Kofferraum



Transporter

Manchmal reicht die Transportkapazität eines PKW nicht aus. Dann muss man das "große Besteck" ausfahren, wie hier, kurz vor der Abreise zum Fremotreffen nach Mammendorf 2017.



Transportzustand

Wie soll das Modul transportiert werden? Hier habe ich mehrere Ansätze gesehen, die alle ihre Vor- und Nachteile haben. Die Spannbreite bewegt sich vom völlig ungesichterten Transport auf der Rückbank, über den Bau von Doppeldeckern (mit und ohne Einwickeln in Transportfolie) bis hin zu eigenen transportablen Schränken, in die das Modul eingeschoben wird und staubfrei verschlossen gelagert werden kann. In den meisten Fällen kommt der Doppeldecker zum Einsatz. Auch ich habe mich dafür entschieden. Der Nachteil ist, dass man immer ein Modul auf der Gegenseite haben muss, das die gleichen Abmaße hat. Das zwingt einerseits dazu zwei Module zu bauen oder (bei einem Modul mit mehreren Segmenten) das Modul symmetrisch zu teilen.

Segmentteilung

Der Idealzustand eines Moduls mit Segment-Trennkante ist die rechteckige Form. Zu beachten ist, dass das Gleis idealerweise im rechten Winkel über diese Trennkante verläuft. Je spitzer der Winkel wird, desto genauer müssen die Segmente gearbeitet sein, um die Betriebsicherheit gegen Entgleisen zu gewährleisten. Meiner Meinung nach ist hier die Grenze bei einem Winkel 50-55 Grad abweichend vom Rechten Winkel erreicht.

Winkel 50Grad zur Segementkante

Winkel 65Grad zur Segementkante. Bei exaktem Arbeiten ist dieser Winkel ohne entgleisende Fahrzeuge gerade noch machbar.



Beim Modul Sonneberg war ich gezwungen spitzere Winkel (75 und mehr) umzusetzen, das aber eine speziellen Lösung mit Einlegern nötig machte.

Winkel 75Grad zur Segementkante

Winkel 75Grad zur Segementkante. Hier habe ich mit Gleiseinlegern gearbeitet.



Weiterhin muss auf die Weichenstraßen geachtet werden. Eine Weiche lässt sich nur an sehr begrenzten Stellen über eine Trennkante führen. Die Trennung ist nur zwischen den Zungen und dem Herzstück oder nach dem Herzstück möglich.

Weiche, kurz vor dem Herzstück geteilt

Die Weiche wurde kurz vor dem Herzstück geteilt.



Das Material

Bei der Auswahl des Materials sind einige Punkte zu beachten:

Mir waren zunächst, als Anfänger, die ersten drei Bedingungen wichtig. Deshalb entschied ich mich beim Modul Kleinbrüchter für MDF-Material. Es ist, einfach gesagt, mit Klebstoff getränktes verpresstes feines Sägemehl. Die Vorteile der möglichen präzisen Bearbeitung und hohen Haltbarkeit werden durch schlechte Verarbeitbarkeit und hohes Gewicht erkauft.
Heute benutze ich das Material nicht mehr. Die Nachteile in der Verarbeitung überwiegen mir zu sehr. Beim Verschrauben mit Holzschrauben, beispielsweise, müssen Löcher präzise vorgebohrt werden, sonst reißt das Material. Strukturen können aufgrund der hohen Festigkeit nicht einfach mit dem Beitel eingearbeitet werden.

holzrisse

Risse wegen nicht sauber vorgebohrter Löcher



Heute bevorzuge ich hochwertiges, gut abgelagertes, mehrfach verleimtes Sperrholz. Dieses gibt es meistens nicht im Baumarkt, sondern im Fachhandel oder beim Tischler.

Sperrholz

Beispiele für Holzmaterial vom Fachhandel und vom Baumarkt, v.l.n.r.:
- sehr gute Sperrholzqualität vom Holzfachhandel (viele Schichten, abgelagert, für Seitenteile des Modulkastens)
- sehr gute Sperrholzqualität vom Holzfachhandel (viele Schichten, abgelagert, Deckbrett, weicheres Holz als links)
- Pappelsperrholz aus dem Baumarkt (sehr leicht!, wenige Schichten - dadurch feuchtigkeitsanfällig, verzieht sich leicht, da selten abgelagert)
- Pappelsperrholz aus dem Baumarkt (schlechtere Qualität, für Modulbau ungeeignet, nutzbar für kleinere Stützwände oder Brückenunterfütterung)
- Spanplatte (für Modulbau ungeeignet, verzieht sich stark durch Feuchteeinfluss, spanende Verarbeitung nicht unproblematisch, nutzbar, wenn etwas mehr Material gebraucht wird, z.B. zur Unterfütterung des EG-Bereiches und der Ladestraße in Kleinbrüchter)
- HDF-Platte (sehr gut geeignet zur Bildung des Bahndammes)



"Geigenkasten" oder Trassenbrett?

Je nach Gestaltung der Landschaft, gemeint Damm oder Einschnitt, ist das Eine oder das Andere sinnvoll. Generell gibt der so genannte Geigenkasten, ähnlich einer umgedrehten Schublade, mehr Stabilität gegen Verwindung und Verzug. Er ist einfach zu bauen. Ja nach Länge des Moduls benötigt man nur 5-7 Teile mit einfachen meist rechteckigen Formen, so dass diese auch in jedem guten Baumarkt zugeschnitten werden können. Bei einem Modukasten für eine gerade Strecke braucht man also für den Anfang nicht einmal eine Kreissäge oder anderes "schweres" Gerät. Soll das Modul eine flache Wiese oder einen Einschnitt bekommen, kann man die Landschaft auf dem "Deckbrett" aufbauen.

geigenkasten_oben

Modul als "Geigenkasten", Beispiel mit Landschaft nach oben



geigenkasten_unten

Modul als "Geigenkasten", Struktur des Unterbaus



Nachteilig ist der "Geigenkasten" wenn die Landschaft gegenüber der Bahntrasse nach unten wandert, also eine Wiesensenke oder hoher Bahndamm gestaltet werden soll. Dann muss man relativ viel Holz heraus schneiden. Hier kommt der Vorteil des Modulbaus mit Trassenbrett zum Tragen. Das Modul mit Trassenbrett besteht hauptsächlich aus einem Rahmen mit Eckenversteifungen. Die Gleise werden auf einem Trassenbrett verlegt. Die Zwischenräume werden der Landschaft folgend, mittels Styrodur oder ähnlichen Materialien, modelliert. Der Nachteil dieser Bauweise ist der hohe Aufwand eine gleiche Steifigkeit, wie zum "Geigenkasten", zu erzeugen.

geigenkasten_oben

Modul als Kasten mit Trassenbrett, Beispiel mit Landschaft nach unten



geigenkasten_unten

Modul als Kasten mit Trassenbrett, Struktur des Unterbaus
An den miteinander verschraubten Stirnbrettern zweier Module kann man noch gut die Trassenbretter sehen. Das Meterial neben den Trassenbrettern ist Styropor.



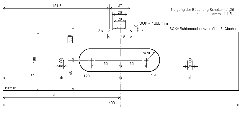
Modulbeine

Die Modulhöhe im FREMO beträgt 1300 mm vom Boden bis zur Schienenoberkante (SOK). Sie ermöglicht ein bequemes Stehen und das Auge ist nicht zu weit von der Landschaft und dem Geschehen auf den Modulen entfernt. Es müssen also mehr als 1200 mm vom Boden überbrückt werden. Zudem sind die Räume, in denen Modultreffen stattfinden, nicht immer 100 % gerade.
Auch hier ist die Wahl der Beinkonstruktion an einige Zwangsbedingungen geknüpft:

Zunächst habe ich hier einige Beispiele zur Beinkonstruktion dargestellt, die alle einen Kompromiss aus den oben genannten Zwangsbedingungen darstellen.

Beine_pw

Diese Beine haben eine hohe Querstabilität, nehmen aber beim Transport viel Platz weg.
Nur bei geschickter Aneinanderreihung lässt sich wenigstens ein Koffer oder eine Kiste in den Hohlraum schieben.



Beine_ap

Preisgünstige Beine, die durch sehr geringen Platzbedarf bestechen.
Die nötige Steifigkeit in Längs- und Querrichtung kann aber nur durch entsprechende Schrägversteifung erreicht werden, die den Aufbau wieder aufwändiger machen. Hier ist auch eine möglichst spielfreie Beinaufnahme im Modul zu gewährleisten, um ein Wackeln des Moduls zu verhindern.



Beine_alu

In die Klemmvorrichtung eines Alumoduls werden die rohrförmigen Beine eingesteckt - wohl die "professionellste" Methode. Für diejenigen, die nicht die Werkzeuge haben, ist die Fertigung bzw. der Kostenaufwand erheblich.



Beine mit Querversteifung

Beinkonstruktion mit Querversteifung
Hier entstand zusätzlich eine Ablage für Kleinkram





Meine Erfahrungen

Die ersten Beine für "Kleinbrüchter" waren einfache Holzstangen, die mittels zweier passend gesägter Gewindestangen und je vier Flügelmuttern am Querspanten befestigt wurden.

Beine mit Zwei-Schrauben-Befestigung

Beine mit Zwei-Schrauben-Befestigung



Der Höhenausgleich erfolgte über eine Gewinde-Einschlaghülse und eine eingeschraubte Schlosssschraube.

Gerätefuß

Gerätefuß mit Einschlagmutter M8 und großem Plastikteller



Die Quersteifigkeit mit dieser Beinlösung war zwar akzeptabel, aber aus meiner Sicht nicht ausreichend. Das verschlechterte sich noch, als ich mich entschied, anstelle der Holzbeine Teleskop-Besenstiele zu verwenden. Zwar waren diese wegen des geringen Platzbedarfes beim Transport ideal, aber einerseits hatten sie die unschöne Eigenschaft sich beim Festdrehen des Teleskops etwas zusammen zu ziehen. Das ließ eine Höheneinstellung des Moduls zur Geduldsprobe werden. Andererseits ist die Stabilität des aus sehr dünnem Aluminium geformten Rohrs nicht geeignet, um es mittels zweier Schrauben ans Modul anzuschrauben. Ein Stück eines Holzbesenstiels musste in das Rohr gesteckt werden, um es beim Anschrauben nicht platt zu drücken. Unter dem Strich hat sich die Methode der Befestigung mittels zweier Schrauben nicht bewährt.

Der nächste Entwicklungsschritt entstand durch die bevorzugte Lösung bei der man möglichst wenig schrauben muss und die benötigten Befestigungsteile immer am Modul sind. Immerhin braucht beispielsweise das Modul Sonneberg 64 Beine! Da kann man schon mal eine Stunde zum Beinedranfummeln einplanen. Hier habe ich die Holzbeine, die immer das selbe Querschnittsmaß haben, in passende Taschen gesteckt. Mittels Klemmvorrichtung weden sie gegen Herausrutschen gesichert. Die Querstabilität ergibt sich aus der Kombination des Klemmens und den engen Toleranzen der Taschen zu den Beinen. Die Höhenangleichung erfolgt wieder mittels Einschlagmutter. Gerätefüße mit Plastikteller schonen auch empfindliche Parkettböden.

Spannvorrichtung für Modulbeine

Spannvorrichtung für Modulbeine - Das Modulbein wird in die Tasche geschoben und mit Anziehen der Flügelmutter fest gespannt.



Auch dieses Konzept hatte erhebliche Nachteile. Durch die engen Toleranzen und das natürliche Arbeiten (Schwinden und Aufquellen) des Holzes kam es, dass immer wieder Beine nicht in die Taschen gepasst haben. Sie mussten vor Ort nachgearbeitet werden, was zu Störungen im Aufbau geführt hat. Die Einschlaghülsen mit samt Gewindeteller sind auch hin und wieder herausgefallen.



Die aktuelle, und wahrscheinlich für mich finale, Lösung ist folgende: Das Steckprinzip mit engen Toleranzen ist geblieben. Das Material ist jetzt Aluminium. Die Beine werden nicht eingklemmt, sondern gegen Herausfallen mit einem Federsteckbolzen gesichert. Die Beine haben eine Kunststoffgewindebuchse in die die bewährten Gerätefüße zum Höhenausgleich eingedreht werden.

Steckbolzenlösung für Modulbeine

Steckvorrichtung für Modulbeine - Das Modulbein wird in die Tasche geschoben und mit Federsteckbolzen gegen Herausrutschen gesichert.



Die Halter im Modulkasten bestehen aus abgelängtem Profil der Fa. alfer (1m, Toom-Baumarkt). Die Edelstahl-Steckbolzen 8mm x 53mm beziehe ich über "die Bucht" (wesentlich teurer auch im Fachhandel für Segelbedarf erhältlich) (2,95Euro). Die Profile der Beine haben einen quadratischen Querschnitt von 20mm mit 1250mm Länge (Alu-Verkauf.de: 6,83Euro). Kunststoff-Gewindestopfen gibts bei Fa. amico (0,78Euro) und die Gerätefüße M8 x 50mm (man glaubt es kaum) sind bei Conrad recht günstig (523829, 1,88Euro).

Steckbolzenlösung Einzelteile

Einzelteile für die Alu-Modulbein-Lösung zum Stecken



Das alfer-Profil wird in Stücke a 85mm zersägt. Die Profile werden entgratet und die Löcher gebohrt. Das Bohren ist mit besonderer Sorgfalt durchzuführen. Schließlich sollen die Steckbolzen erstens nicht durch zu große Löcher herausfallen. Zweitens sollen die Löcher nicht zu eng sein, damit ein gewisser Toleranzausgleich zwischen den verschiedenen Füßen und Stecktaschen möglich ist. Und Drittens müssen die Löcher exakt das selbe Maß haben und an der selben Stelle liegen und auch noch symmetrisch angeordnet sein, damit jeder Fuß in jede Tasche und auch um 180Grad verdreht eingebaut werden kann. Hierfür hat man nur wenige Zehntelmillimeter Spielraum.



Modulverbindungen

Eigentlich müsste die Überschrift Segement-Verbindung heißen, denn an der Verbindung zwischen Modulen unter einander kann nichts optimiert werden, da diese genormt ist. Sie erfolgt mittels zweier M6-Schrauben mit Flügelmuttern. Hier sehe ich immer wieder den Billigkram aus dem Baumarkt. Die Flügelmuttern gibt es mit deutscher und amerikanischer Flügelform erhältlich. Die deutsche Bauform ist hier zu bevorzugen, weil die Flügel deutlich größer sind und man leichter ein höheres Schraubmoment aufbringen kann. Leider bieten die wenigsten Baumärkte diese Flügelform an. Der Schraubenhandel hilft hier gern, und ist bei größeren Stückzahlen genauso günstig. Hier bekommt man auch Flügelmutterschrauben (ich nutze 60mm Länge).

Flügelmutter mit amerikanischer und deutscher Flügelform

Flügelmutter mit amerikanischer und deutscher Flügelform



Bei der Verbindung von Segmenten habe ich von Erfahrungen anderer Modulbau-Kollegen profitiert. Die Montage von Segmenten ist deutlich einfacher, wenn man die Ausrichtung der Gleisverbindungen durch eine Zentrierverbindung übernehmen lässt. Die Bedenken, dass das Holz durch sein natürliches Arbeiten dieses Ausrichten verändert, haben sich über die Jahre nicht bestätigt. Ich habe zunächst die Zentrierverbindungsteile von einem Modellbahnfreund bekommen. Mittlerweile hat er die Produktion eingestellt und ich habe die Kunststoffbuchsen im 3D-Print erzeugen lassen.

Zentrierverbindung

Zentrierverbindung mittels zweier Buchsen und einem 6mm Zylinderstift.
Die Buchsen weden mit 2K-Kleber in das Holz eingeklebt.



Die Verbindung vieler Segmente untereinander mit der klassischen Flügelmutter-Schraubtechnik ist sehr zeitraubend. Lange habe ich überlegt, wie man die Aufbauzeit des Bahnhofes Sonneberg mit den 16 Segmenten reduzieren kann.
Die Verbindung muss schnell aber zugleich auch betriebbsicher hergestellt werden. Auch die Versetzung in den Transportzustand sollte in die Überlegung einbezogen werden.
Die Lösung ist eine Art Klemmtechnik. Ich benutze Kniehebelspanner. Diese Spanner haben den Vorteil, dass sie eine hohe Klemmkraft haben, ggü. Kofferverschlüssen einen höheren Löseweg gestatten und die Kraft ein- und nachstellbar ist.

Segmentverbindung, geschlossen

Klemmverbindung zweier Segmente

Ich benutze pro Segmentverbindung zwei Klemmvorrichtungen, die ich gegenläufig eingebaut habe. Bei Transport nutze ich die eine Klemmverbindung zum Klemmen des Transportbretts. Das Transportbrett wird auf der anderen Seite mittels eines sogenannten Möbelverbinders, das nur einen Freigeitsgrad in einer Richtung zulässt, verbunden.

Segmentverbindung, offen

Möbelverbinder mit Nut (Segment) und Nase (Transportbrett)



Segmentverbindung, offen

offene Klemmverbindung mit Möbelverschluss (für Transportlösung)



Transportverbindung

Klemmverbindung bei Transport

Zurück zum Anfang

© Michael Köhler 2025